Go to documentation repository
Documentation for Intellect 4.11.0-4.11.3. Documentation for other versions of Intellect is available too.
Previous page Next page
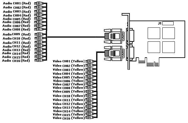
VRC6416 video capture card has two external DVI pins. DVI /BNC interface cable is used for simultaneous connection of up to 16 cameras and 16 sound sources to external DVI pins of VRC6416 video capture card. DI/DO card is connected to the J1 pin.
Overview
Content Tools
